Hydraulická výhybka s průtokem 50 l/min 12V G3/8" pro třetí funkci, 6/2 cestný elektrohydraulický ventil.
Kód: 815Související produkty
Hrdlo kombinované s těsněním
Hrdlo kombinované s těsněním
Detailní popis produktu
Hydraulické rozvaděče pro univerzální použití v zemědělství, lesnictví, stavebnictví, průmyslu. Jednoduché a dostupné řešení.
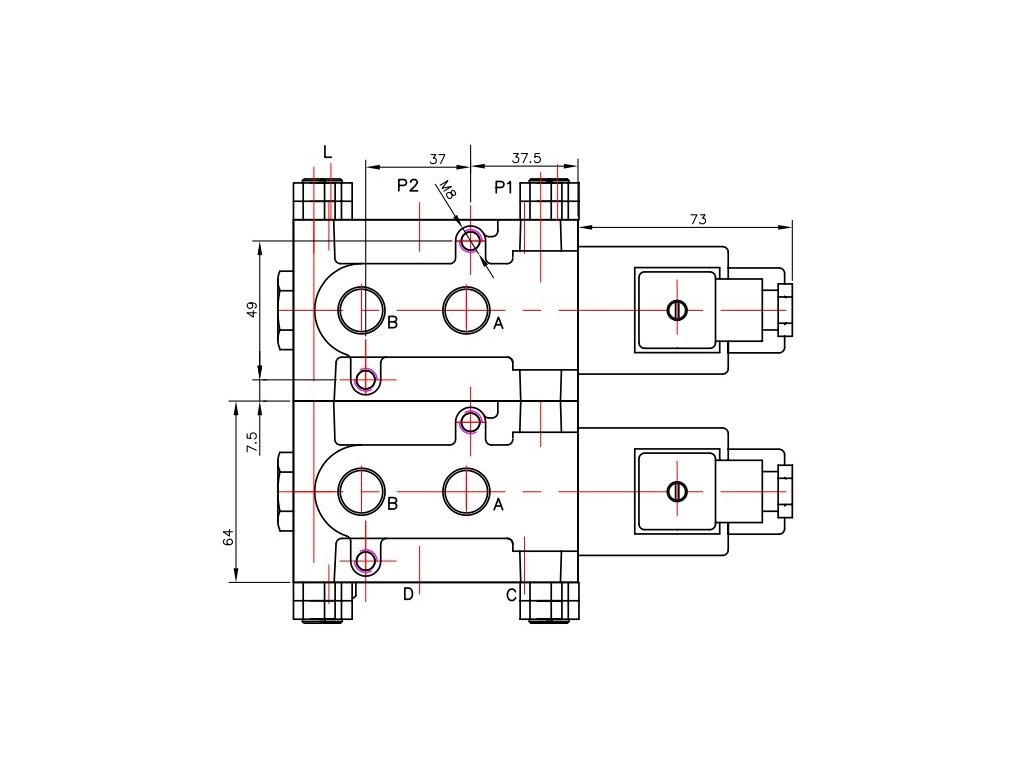
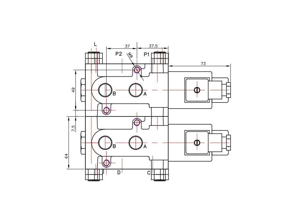
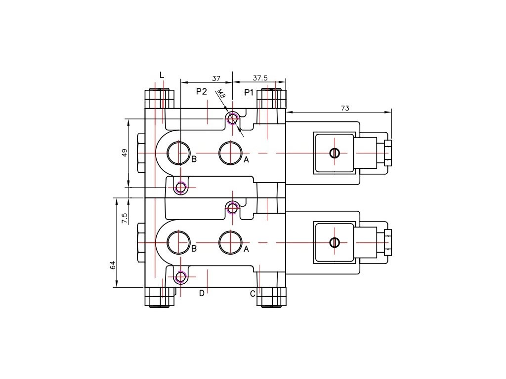
Elektromagneticky ovládaný 6/2 cestný hydraulický ventil
Složení: těleso s se závitovými otvory, pohyblivé elektromagneticky ovládané šoupátko s vratnou pružinou, elektromagnetická cívka
V základní poloze (bez el. napětí) jsou propojeny kanály P1 - C a P2 - D, P1 - A a P2 - B jsou uzavřeny
V poloze s el. napětím jsou propojeny kanály P1 - A a P2 - B, P1 - C a P2 - D jsou uzavřeny
Základní technické parametry:
Jmenovitý průtok 50 l min
Max. tlak ve spínaných obvodech 210 bar, přepínat lze pod tlakem
Ovládací napětí 12 VDC, příkon 36 W
Frekvence spínání do 15 000 cyklů / hod.
Pracovní cyklus 100 % - cívka je dimenzována pro trvalé zatížení el. proudem, tj. trvalé sepnutí
Rozměry závitů vstupních / výstupních otvorů P1, P2, A, B, C, D = G3/8"
Možnost sestavování ventilů do bloků
Použití:
Pro selektivní ovládání více hydraulických spotřebičů připojených k jedné sekci základního hydraulického rozvaděče - např. třetí a další funkce u čelních nakladačů

Buďte první, kdo napíše příspěvek k této položce.
