Hydraulická výhybka s průtokem 90 l/min 24V pro třetí funkci, 6/2 cestný elektrohydraulický ventil.
Kód: 76Související produkty
Detailní popis produktu
Hydraulické rozvaděče pro univerzální použití v zemědělství, lesnictví, stavebnictví, průmyslu. Jednoduché a dostupné řešení.
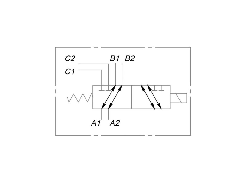
Elektromagneticky ovládaný 6/2 cestný hydraulický ventil
Složení: těleso s se závitovými otvory, pohyblivé elektromagneticky ovládané šoupátko s vratnou pružinou, elektromagnetická cívka
V základní poloze (bez el. napětí) jsou propojeny kanály A1 - B1 a A2 - B2, A1 - C1 a A2 - C2 jsou uzavřeny
V poloze s el. napětím jsou propojeny kanály A1 - C1 a A2 - C2, A1 - B1 a A2 - B2 jsou uzavřeny
Základní technické parametry:
Jmenovitý průtok 90 l min
Max. tlak ve spínaných obvodech 280 bar, přepínat lze pod tlakem
Ovládací napětí 24 VDC, příkon 65 W
Frekvence spínání do 15 000 cyklů / hod.
Pracovní cyklus 100 % - cívka je dimenzována pro trvalé zatížení el. proudem, tj. trvalé sepnutí
Rozměry závitů vstupních / výstupních otvorů A1, A2, B1, B2, C1, C2 = G1/2"
Možnost sestavování ventilů do bloků
Použití:
Pro selektivní ovládání více hydraulických spotřebičů připojených k jedné sekci základního hydraulického rozvaděče - např. třetí a další funkce u čelních nakladačů

Diskuze
Buďte první, kdo napíše příspěvek k této položce.
