3-cestný regulační ventil průtoku RFP3 1/2“ BSP
Kód: 4030Související produkty
Detailní popis produktu
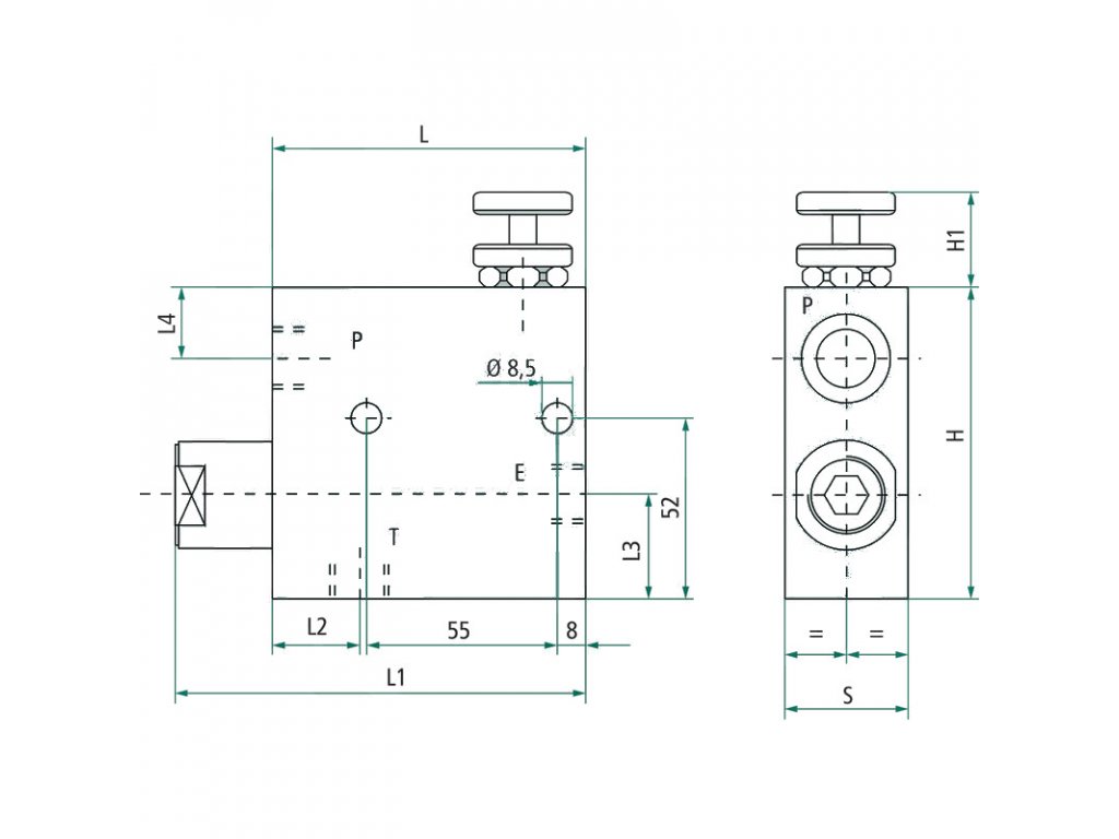
Tento ventil bez ohledu na tlakové zatížení reguluje průtok hydraulické kapaliny z vstupu E do výstupu P. Olej dodávaný z portu E je předáván do portu P podle nastavení ventilu, které se provádí ručním rýhovaným kolečkem s kontramaticí. Nastavení ventilu je možno kdykoliv za provozu měnit. Průtok zbytkového oleje MUSÍ být vypouštěn přímo do nádrže přes přípoj T a nesmí být vystaven tlaku!
Typický případ použití je např. pro regulaci otáček rotačních hydromotorů pro pohon posypových kotoučů, pásových dopravníků, škrabáků apod.
Přípoj BSP:1/2“
P max (bar):350
Q-E max. (l/min):80
Q-P max. (l/min):60
D (mm):90
L1 (mm):118
L2 (mm):25
L3 (mm):32
L4 (mm):20
H (mm):90
H1 (mm):40
S (mm):35
Hmotnost:2,11 kg

3-cestný regulační ventil průtoku VPR3 3/8“ BSP
Skladem - ihned k expedici
2 820,66 Kč bez DPH
3 413 Kč
Bez ohledu na zatížení reguluje ventil průtok z E do P. Olej dodávaný z portu E je předáván do portu P podle nastavení ventilu. Průtok zbytkového oleje lze přivést do druhého okruhu prostřednictvím připojení B.
Diskuze
Buďte první, kdo napíše příspěvek k této položce.
