Nyní k objednávce nad 2 900 Kč vč. DPH obdržíte kvalitní otvírák jako dárek.

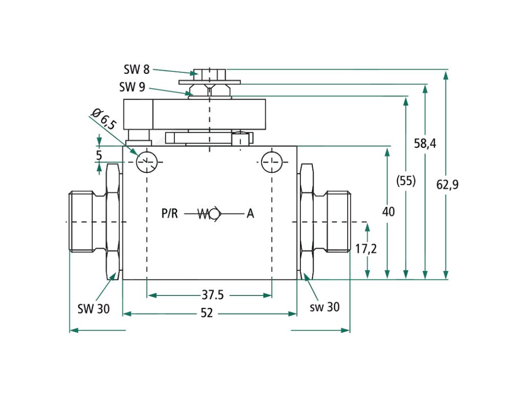
Omezovač zdvihu HBV 12L (M18x1,5)

Kód: 3738
1 056 Kč 872,73 Kč bez DPH
Skladem - ihned k expedici

Ventil pro omezení samočinného zdvihu jednočinných hydraulických válců. Ve výchozí poloze je HBV otevřený. Kabel připojený k tyči válce a rukojeti aktivuje rukojeť spínače, když je napnutý. Tím se HBV uvede do zablokované polohy, což přeruší tok. Tyč válce zůstane v této poloze.

Detailní informace

Detailní popis produktu

P max (bar): 350
Q max (l/min): 60
Jmenovitá šířka: DN 10
Připojovací závit: 12L (M18x1,5)

Buďte první, kdo napíše příspěvek k této položce.

Nevyplňujte toto pole:

Bezpečnostní kontrola